Skip to main content
U.S. Department of Energy
Office of Scientific and Technical Information

Improved Double Pulse Test for Accurate Dynamic Characterization of Medium Voltage SiC Devices

Journal Article · · IEEE Transactions on Power Electronics
 [1];  [2];  [2];  [3]
  1. University of Tennessee, Knoxville, TN (United States); University of Tennessee
  2. University of Tennessee, Knoxville, TN (United States)
  3. University of Tennessee, Knoxville, TN (United States); Oak Ridge National Laboratory (ORNL), Oak Ridge, TN (United States)

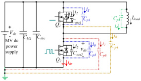
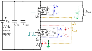
This article presents an improved double pulse test (DPT) for accurate dynamic characterization of the medium voltage (MV) silicon carbide device. The difference between low voltage (LV) and MV DPT setup grounding is first introduced, which results in different measurement considerations. Then, parasitic capacitances in the DPT and their impact on the DPT are discussed considering different grounding points and device connections. Approaches are proposed to minimize the impact of parasitic capacitances on DPT results. In addition, the impact of switching V-I timing alignment on the testing results is discussed, compared to that in the LV DPT; a V-I alignment approach is introduced for the MV DPT. A 10 kV/20 A SiC mosfet -based DPT is taken as an example of the improved DPT, and test results show that it can minimize the impact from parasitic and improve the accuracy of the device switching loss estimation.

Research Organization:
University of Tennessee, Knoxville, TN (United States)
Sponsoring Organization:
USDOE Office of Energy Efficiency and Renewable Energy (EERE), Energy Efficiency Office. Advanced Materials & Manufacturing Office (AMMTO)
Grant/Contract Number:
EE0008410
OSTI ID:
1974605
Journal Information:
IEEE Transactions on Power Electronics, Journal Name: IEEE Transactions on Power Electronics Journal Issue: 2 Vol. 38; ISSN 0885-8993
Publisher:
IEEECopyright Statement
Country of Publication:
United States
Language:
English

References (22)

Parasitic capacitance Eqoss loss mechanism, calculation, and measurement in hard-switching for GaN HEMTs conference March 2018
Experimental Analysis and Calibration of Power Losses in High Efficiency SiC Converters conference March 2019
Evaluation of the switching characteristics of a gallium-nitride transistor conference September 2011
10 kV and 15 kV silicon carbide power MOSFETs for next-generation energy conversion and transmission systems conference September 2014
Understanding dv/dt of 15 kV SiC N-IGBT and its control using active gate driver conference September 2014
Electromagnetic noise coupling and mitigation in dynamic tests of high power switching devices conference September 2015
Analytical evaluation of IGBT turn-on loss with double pulse testing conference June 2016
Silicon carbide power MOSFETs: Breakthrough performance from 900 V up to 15 kV conference June 2014
Design and Experimental Validation of a Wire-Bond-Less 10-kV SiC MOSFET Power Module journal March 2020
Medium Voltage Converter Inductor Insulation Design Considering Grid Requirements journal April 2022
An Improved Behavior Model for IGBT Modules Driven by Datasheet and Measurement journal January 2020
Characterization and Performance Evaluation of the State-of-the-Art 3.3 kV 30 A Full-SiC MOSFETs journal January 2019
Design Considerations for High-Voltage Insulated Gate Drive Power Supply for 10-kV SiC MOSFET Applied in Medium-Voltage Converter journal July 2021
Improving SiC JFET Switching Behavior Under Influence of Circuit Parasitics journal August 2012
Evaluation of Switching Performance of SiC Devices in PWM Inverter-Fed Induction Motor Drives journal October 2015
Methodology for Wide Band-Gap Device Dynamic Characterization journal December 2017
Temperature-Dependent Characterization, Modeling, and Switching Speed-Limitation Analysis of Third-Generation 10-kV SiC MOSFET journal May 2018
Assessment of 10 kV, 100 A Silicon Carbide mosfet Power Modules journal June 2018
Research on Losses of PCB Parasitic Capacitance for GaN-Based Full Bridge Converters journal April 2021
Modeling and Increasing the High-Frequency Impedance of Single-Layer Mn-Zn Ferrite Toroidal Inductors With Electromagnetic Analysis journal June 2021
A Multichannel High-Frequency Current Link Based Isolated Auxiliary Power Supply for Medium-Voltage Applications journal January 2022
Parasitic Capacitors' Impact on Switching Performance in a 10 kV SiC MOSFET Based Converter conference October 2018

Figures / Tables (23)


Similar Records

Methodology for Wide Band-Gap Device Dynamic Characterization
Journal Article · Wed Jan 18 23:00:00 EST 2017 · IEEE Transactions on Power Electronics · OSTI ID:1399113

A PWM Strategy for Cascaded H-bridges to Reduce the Loss Caused by Parasitic Capacitances of Medium Voltage Dual Active Bridge Transformers
Conference · Sun Oct 09 00:00:00 EDT 2022 · 2022 IEEE Energy Conversion Congress and Exposition (ECCE) · OSTI ID:1974600

Characterization and Comparison of Trench and Planar Silicon Carbide (SiC) MOSFET at Different Temperatures
Conference · Fri Jun 01 00:00:00 EDT 2018 · OSTI ID:1470888