Skip to main content
U.S. Department of Energy
Office of Scientific and Technical Information

Demonstration of the Advanced Dynamic System Modeling Tool TRANSFORM in a Molten Salt Reactor Application via a Model of the Molten Salt Demonstration Reactor

Journal Article · · Nuclear Technology
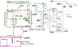
Liquid-fueled nuclear reactors, particularly molten salt reactors (MSRs), have recently gained significant interest in the advanced reactor community. As with all reactors, modeling and simulation are critical to advanced reactor design and licensing and will be required for MSR deployment. However, there are significant gaps in existing simulation capabilities for MSRs, particularly with the unique challenges of liquid-fueled systems (e.g., fission product transport). Furthermore, advanced reactor designers require near-term tools that are readily modifiable to perform design and analysis, including the ability to extend their analysis beyond the primary system to auxiliary systems. Transient Simulation Framework of Reconfigurable Models (TRANSFORM), a Modelica-based, system modeling library developed at Oak Ridge National Laboratory, is an advanced tool that can help meet some of the near-term needs of the advanced reactor community. Here, this paper describes advanced system modeling criteria and presents TRANSFORM to the advanced reactor community by demonstration of system modeling capabilities and support of advanced analysis workflows, i.e., the Risk Analysis Virtual Environment (RAVEN) framework from Idaho National Laboratory, using the liquid-fueled Molten Salt Demonstration Reactor (MSDR) as a reference design.
Research Organization:
Oak Ridge National Laboratory (ORNL), Oak Ridge, TN (United States)
Sponsoring Organization:
USDOE
Grant/Contract Number:
AC05-00OR22725
OSTI ID:
1543221
Journal Information:
Nuclear Technology, Journal Name: Nuclear Technology Journal Issue: 3 Vol. 206; ISSN 0029-5450
Publisher:
Taylor & Francis - formerly American Nuclear Society (ANS)Copyright Statement
Country of Publication:
United States
Language:
English

References (16)

Dynamic adsorption properties of Kr and Xe isotopes in charcoal journal July 1994
Redox condition in molten fluoride salts journal February 2002
Preconceptual design of a fluoride high temperature salt-cooled engineering demonstration reactor: Motivation and overview journal September 2017
Molten salt reactor neutronics and fuel cycle modeling and simulation with SCALE journal March 2017
Preconceptual design of a fluoride high temperature salt-cooled engineering demonstration reactor: Core design and safety analysis journal May 2017
ENDF/B-VII.1 Nuclear Data for Science and Technology: Cross Sections, Covariances, Fission Product Yields and Decay Data journal December 2011
Verification of Modelica-Based Models with Analytical Solutions for Tritium Diffusion journal March 2018
Development of the Tritium Transport Analysis Code for the Thorium-Based Molten Salt Reactor journal March 2018
Modified Point-Kinetics Model for Neutron Precursors and Fission Product Behavior for Fluid-Fueled Molten Salt Reactors journal November 2018
A History of RELAP Computer Codes journal January 2016
Molten-Salt Reactors—History, Status, and Potential journal February 1970
Phenomena Important in Molten Salt Reactor Simulations report January 2018
Conceptual Design Study of a Single-Fluid Molten-Salt Breeder Reactor report January 1971
Status of Preconceptual Design of the Advanced High-Temperature Reactor (AHTR) report July 2004
Component Development for Nuclear Hybrid Energy Systems
  • Greenwood, M. Scott
  • The 12th International Modelica Conference, Prague, Czech Republic, May 15-17, 2017, Linköping Electronic Conference Proceedings https://doi.org/10.3384/ecp17132839
conference July 2017
A New OpenModelica Compiler High Performance Frontend
  • Pop, Adrian; Östlund, Per; Casella, Francesco
  • The 13th International Modelica Conference, Regensburg, Germany, March 4–6, 2019, Linköping Electronic Conference Proceedings https://doi.org/10.3384/ecp19157689
conference February 2019

Figures / Tables (38)