An Islanding Detection Test Platform for Multi-Inverter Islands Using Power HIL
- National Renewable Energy Lab. (NREL), Golden, CO (United States)
- SolarCity Corp., San Mateo, CA (United States)
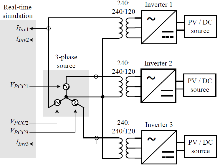
When an unintentional island is formed on the electric power system, distributed energy resources (DERs) are typically required to detect and de-energize the island. This requirement may become more challenging as the number of DERs in an island rises. Thus, it is of interest to experimentally verify whether DERs can successfully detect and de-energize islands containing many DERs connected at different points. This paper presents a power hardware-in-the-loop (PHIL) platform for testing the duration of islands containing multiple inverters connected at multiple points in a network. The PHIL platform uses real-time simulation to represent islanded distribution circuits, with DER inverters connected in hardware. This allows efficient testing of a large number of island configurations simply by changing the distribution circuit model in the real-time simulator. A method for calculating the quality factor of an arbitrary distribution circuit in real time, designed for anti-islanding tests, is also presented. Experimental results are included demonstrating the use of the PHIL method to test a variety of three-inverter islands.
- Research Organization:
- National Renewable Energy Lab. (NREL), Golden, CO (United States)
- Sponsoring Organization:
- USDOE Office of Energy Efficiency and Renewable Energy (EERE), Solar Energy Technologies Office (EE-4S)
- Grant/Contract Number:
- AC36-08GO28308
- OSTI ID:
- 1467099
- Report Number(s):
- NREL/JA--5D00-68175
- Journal Information:
- IEEE Translations on Industrial Electronics, Journal Name: IEEE Translations on Industrial Electronics Journal Issue: 10 Vol. 65; ISSN 0278-0046
- Publisher:
- IEEECopyright Statement
- Country of Publication:
- United States
- Language:
- English
A comprehensive review of reactive power control strategies for three phase grid connected photovoltaic systems with low voltage ride through capability
|
journal | July 2019 |
Applications of Digital-Physical Hybrid Real-Time Simulation Platform in Power Systems
|
journal | October 2018 |
Protection Schemes of Meshed Distribution Networks for Smart Grids and Electric Vehicles
|
journal | November 2018 |
Similar Records
Evaluation of Multiple Inverter Volt-VAR Control Interactions with Realistic Grid Impedances