Skip to main content
U.S. Department of Energy
Office of Scientific and Technical Information

Stable Short-Term Frequency Support Using Adaptive Gains for a DFIG-Based Wind Power Plant

Journal Article · · IEEE Transactions on Energy Conversion
 [1];  [2];  [3];  [4];  [4];  [1]
  1. Chonbuk National University, Jeonju (Korea, Republic of)
  2. Korea University, Seoul, (Korea, Republic of)
  3. National Renewable Energy Laboratory (NREL), Golden, CO (United States)
  4. Aalborg University (Denmark)

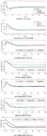
For the fixed-gain inertial control of wind power plants (WPPs), a large gain setting provides a large contribution to supporting system frequency control, but it may cause over-deceleration for a wind turbine generator that has a small amount of kinetic energy (KE). Further, if the wind speed decreases during inertial control, even a small gain may cause over-deceleration. Here this paper proposes a stable inertial control scheme using adaptive gains for a doubly fed induction generator (DFIG)-based WPP. The scheme aims to improve the frequency nadir (FN) while ensuring stable operation of all DFIGs, particularly when the wind speed decreases during inertial control. In this scheme, adaptive gains are set to be proportional to the KE stored in DFIGs, which is spatially and temporally dependent. To improve the FN, upon detecting an event, large gains are set to be proportional to the KE of DFIGs; to ensure stable operation, the gains decrease with the declining KE. The simulation results demonstrate that the scheme improves the FN while ensuring stable operation of all DFIGs in various wind and system conditions. Further, it prevents over-deceleration even when the wind speed decreases during inertial control.

Research Organization:
National Renewable Energy Laboratory (NREL), Golden, CO (United States)
Sponsoring Organization:
USDOE Office of Energy Efficiency and Renewable Energy (EERE); Ministry of Science, ICT, and future Planning (MSIP)
Grant/Contract Number:
AC36-08GO28308
OSTI ID:
1319283
Report Number(s):
NREL/JA--5D00-65833
Journal Information:
IEEE Transactions on Energy Conversion, Journal Name: IEEE Transactions on Energy Conversion Journal Issue: 3 Vol. 31; ISSN 0885-8969
Publisher:
IEEECopyright Statement
Country of Publication:
United States
Language:
English

References (17)

Real Power Compensation and Frequency Control book November 2008
Inertial response of variable speed wind turbines journal July 2006
Frequency support from doubly fed induction generator wind turbines journal January 2007
Implementation and comparison of different under frequency load-shedding schemes conference January 2001
Consideration of wind farm wake effect in power system dynamic simulation conference June 2005
Comparison of the Response of Doubly Fed and Fixed-Speed Induction Generator Wind Turbines to Changes in Network Frequency journal December 2004
Dynamic Models for Steam and Hydro Turbines in Power System Studies journal November 1973
Frequency Control and Wind Turbine Technologies journal November 2005
Wind Turbines Emulating Inertia and Supporting Primary Frequency Control journal February 2006
Kinetic Energy of Wind-Turbine Generators for System Frequency Support journal February 2009
Frequency Regulation Contribution Through Variable-Speed Wind Energy Conversion Systems journal February 2009
Frequency Response Capability of Full Converter Wind Turbine Generators in Comparison to Conventional Generation journal May 2008
Dynamic Contribution of DFIG-Based Wind Plants to System Frequency Disturbances journal May 2009
High Wind Power Penetration in Isolated Power Systems—Assessment of Wind Inertial and Primary Frequency Responses journal August 2013
Droop Control as an Alternative Inertial Response Strategy for the Synthetic Inertia on Wind Turbines journal March 2016
Frequency Control in Autonomous Power Systems With High Wind Power Penetration journal April 2012
Variable-Speed Wind Turbine Controller Systematic Design Methodology: A Comparison of Non-Linear and Linear Model-Based Designs report July 1999

Cited By (1)


Figures / Tables (20)


Similar Records

Disturbance-Adaptive Short-Term Frequency Support of a DFIG Associated With the Variable Gain Based on the ROCOF and Rotor Speed
Journal Article · Mon May 01 00:00:00 EDT 2017 · IEEE Transactions on Power Systems · OSTI ID:1357095

Dynamic Droop–Based Inertial Control of a Doubly-Fed Induction Generator
Journal Article · Fri Jul 01 00:00:00 EDT 2016 · IEEE Transactions on Sustainable Energy · OSTI ID:1259624

Stable Adaptive Inertial Control of a Doubly-Fed Induction Generator
Journal Article · Tue Nov 01 00:00:00 EDT 2016 · IEEE Transactions on Smart Grid · OSTI ID:1333051